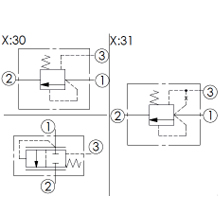
KOMPASS叠加式电控单向节流阀部分常规型号参考:MSSA-02-X-A15-NC , MSSA-02-X-A15-NO , MSSA-02-X-A25-NC , MSSA-02-X-A25-NO , MSSA-02-X-D12-NC , MSSA-02-X-D12-NO , MSSA-02-X-D24-NC , MSSA-02-X-D24-NO , MSSA-02-Y-A15-NC , MSSA-02-Y-A15-NO , MSSA-02-Y-A25-NC , MSSA-02-Y-A25-NO , MSSA-02-Y-D12-NC , MSSA-02-Y-D12-NO , MSSA-02-Y-D24-NC , MSSA-02-Y-D24-NO , MSSA-03-X-A15-NC , MSSA-03-X-A15-NO , MSSA-03-X-A25-NC , MSSA-03-X-A25-NO , MSSA-03-X-D12-NC , MSSA-03-X-D12-NO , MSSA-03-X-D24-NC , MSSA-03-X-D24-NO , MSSA-03-Y-A15-NC , MSSA-03-Y-A15-NO , MSSA-03-Y-A25-NC , MSSA-03-Y-A25-NO , MSSA-03-Y-D12-NC , MSSA-03-Y-D12-NO , MSSA-03-Y-D24-NC , MSSA-03-Y-D24-NO , MSSB-02-X-A15-NC , MSSB-02-X-A15-NO , MSSB-02-X-A25-NC , MSSB-02-X-A25-NO , MSSB-02-X-D12-NC , MSSB-02-X-D12-NO , MSSB-02-X-D24-NC , MSSB-02-X-D24-NO , MSSB-02-Y-A15-NC , MSSB-02-Y-A15-NO , MSSB-02-Y-A25-NC , MSSB-02-Y-A25-NO , MSSB-02-Y-D12-NC , MSSB-02-Y-D12-NO , MSSB-02-Y-D24-NC , MSSB-02-Y-D24-NO , MSSB-03-X-A15-NC , MSSB-03-X-A15-NO , MSSB-03-X-A25-NC , MSSB-03-X-A25-NO , MSSB-03-X-D12-NC , MSSB-03-X-D12-NO , MSSB-03-X-D24-NC , MSSB-03-X-D24-NO , MSSB-03-Y-A15-NC , MSSB-03-Y-A15-NO , MSSB-03-Y-A25-NC , MSSB-03-Y-A25-NO , MSSB-03-Y-D12-NC , MSSB-03-Y-D12-NO , MSSB-03-Y-D24-NC , MSSB-03-Y-D24-NO
KOMPASS康百世叠加阀 MSSA,MSSB-02,03系列叠加式电控单向节流阀
KOMPASS叠加式电控单向节流阀部分常规型号参考:MSSA-02-X-A15-NC , MSSA-02-X-A15-NO , MSSA-02-X-A25-NC , MSSA-02-X-A25-NO , MSSA-02-X-D12-NC , MSSA-02-X-D12-NO , MSSA-02-X-D24-NC , MSSA-02-X-D24-NO , MSSA-02-Y-A15-NC , MSS
PDF 相关推荐
KOMPASS康百世叠加阀 MCP,MCA,MCB,MCT,MCW系列叠加式单向阀-KOMPASS康百世
KOMPASS康百世叠加阀 MPA,MPB,MPW系列叠加式液控单向阀-KOMPASS康百世
KOMPASS康百世叠加阀 MSC-02,03系列叠加式电控单向阀-KOMPASS康百世
KOMPASS康百世叠加阀 MBP,MBA,MBB,MBW系列叠加式溢流阀-KOMPASS康百世
KOMPASS康百世叠加阀 MSBP-03系列叠加式电控溢流阀-KOMPASS康百世
KOMPASS康百世叠加阀 MRLP,MRLA,MRLB-03系列叠加式低压减压阀-KOMPASS康百世
KOMPASS康百世叠加阀 MRRP,MRRA,MRRB-02,03系列叠加式引导型减压阀-KOMPASS康百世
KOMPASS康百世叠加阀 MRP,MRA,MRB-02,03,04,06系列叠加式直动型减压阀-KOMPASS康百世























