MG
使用於特定油路裡,要低於主要油路的壓力時使用.
特性
- 洩油口要連接油箱。
- 為使減壓動作完美呈現,主壓和副壓的壓差請儘量維持超過10 kg/cm²。
規格
| 型式號碼 | 稱呼口徑 (PT) DIA. |
最大壓力 (KG/CM²) |
最大流量 (LPM) |
|---|---|---|---|
| MG-02A (B) (P) | 1/4” | 210 | 35 |
| MG-03A (B) (P) | 3/8” | 70 | |
| MG-04A (B) (P) | 1/2” | 300 | |
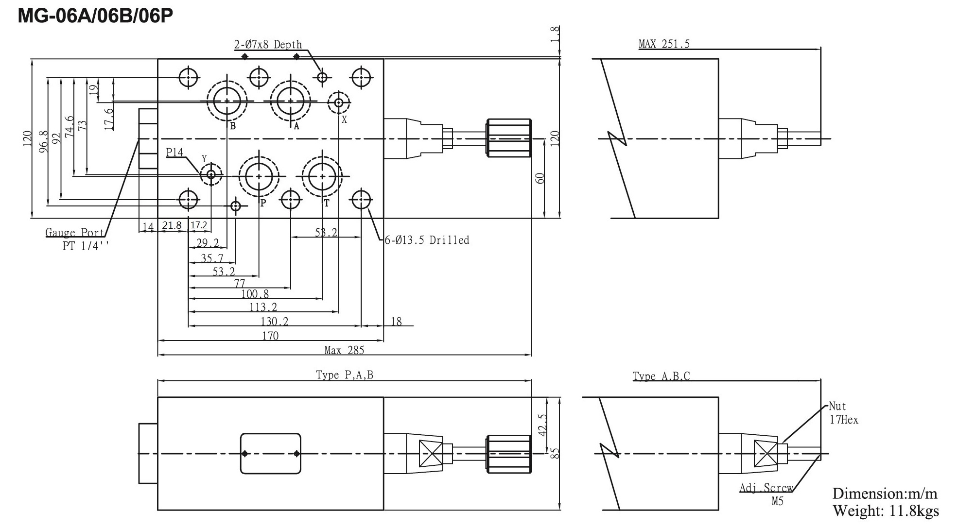
| MG-06A (B) (P) | 3/4” | 180 |




MG使用於特定油路裡,要低於主要油路的壓力時使用.
| 型式號碼 | 稱呼口徑 (PT) DIA. |
最大壓力 (KG/CM²) |
最大流量 (LPM) |
|---|---|---|---|
| MG-02A (B) (P) | 1/4” | 210 | 35 |
| MG-03A (B) (P) | 3/8” | 70 | |
| MG-04A (B) (P) | 1/2” | 300 | |
| MG-06A (B) (P) | 3/4” | 180 |



